
SFU 滾珠絲杠 (DIN 69051 FROM B) 單螺母 六孔法蘭型
臺灣TBI滾珠絲桿SFU系列為TBI絲桿U型螺母,TBI滾珠螺桿U型螺帽是由鋼珠沿著內循環循環器滿槽,斜斜的越過螺桿牙峰,回來到原點。SFU絲桿螺母一般為一卷鋼珠一次循環。此種型式絲桿至少要有一端完全通牙,適用于絲桿徑較小,U型螺帽采用金屬循環器。螺帽選定時請考慮所要求精度,所需交貨期、尺寸(絲桿軸外徑,導程/絲桿軸外徑比)。此型螺帽型式同于I型螺帽。
SFU絲杠原產地—臺灣
精度等級—C7級-C5級-C3級
SFU絲杠直徑——12mm—100mm
絲桿螺距(導程)–4mm、5mm、6mm、8mm、10mm、20mm
TBI螺桿長度——根據要求定做
絲桿有效行程——根據要求定做
聯接軸徑——根據要求定做
TBI滾珠絲桿SFU系列為全新絲杠,如需要加工兩端請提供圖紙。

| 型號 Model No. |
滾珠螺桿、螺母之基準參數 Dimensions 單位 : mm | |||||||||||||||
|---|---|---|---|---|---|---|---|---|---|---|---|---|---|---|---|---|
| d | I | Da | D | A | B | L | W | X | H | Q | n | Ca | Coa | K | ||
| SFU01204-4 | 12 | 4 | 2.500 | 24 | 40 | 10 | 40 | 32 | 4.5 | 30 | - | 1x4 | 902 | 1884 | 26 | |
| ★ | SFU01604-4 | 16 | 4 | 2.381 | 28 | 48 | 10 | 40 | 38 | 5.5 | 40 | M6 | 1x4 | 973 | 2406 | 32 |
| ★ | SFU01605-4 | 5 | 3.175 | 28 | 48 | 10 | 50 | 38 | 5.5 | 40 | M6 | 1x4 | 1380 | 3052 | 32 | |
| ★ | SFU01610-4 | 10 | 3.175 | 28 | 48 | 10 | 57 | 38 | 5.5 | 40 | M6 | 1x3 | 1103 | 2401 | 26 | |
| SFU02004-4 | 20 | 4 | 2.381 | 36 | 58 | 10 | 42 | 47 | 6.6 | 44 | M6 | 1x4 | 1066 | 2987 | 38 | |
| ★ | SFU02005-4 | 5 | 3.175 | 36 | 58 | 10 | 51 | 47 | 6.6 | 44 | M6 | 1x4 | 1551 | 3875 | 39 | |
| SFU02504-4 | 25 | 4 | 2.381 | 40 | 62 | 10 | 42 | 51 | 6.6 | 48 | M6 | 1x4 | 1180 | 3795 | 43 | |
| ★ | SFU02505-4 | 5 | 3.175 | 40 | 62 | 10 | 51 | 51 | 6.6 | 48 | M6 | 1x4 | 1724 | 4904 | 45 | |
| SFU02506-4 | 6 | 3.969 | 40 | 62 | 10 | 54 | 51 | 6.6 | 48 | M6 | 1x4 | 2318 | 6057 | 47 | ||
| SFU02508-4 | 8 | 4.762 | 40 | 62 | 10 | 63 | 51 | 6.6 | 48 | M6 | 1x4 | 2963 | 7313 | 49 | ||
| ★ | SFU02510-4 | 10 | 4.762 | 40 | 62 | 12 | 85 | 51 | 6.6 | 48 | M6 | 1x4 | 2954 | 7295 | 50 | |
| SFU03204-4 | 32 | 4 | 2.381 | 50 | 80 | 12 | 44 | 65 | 9 | 62 | M6 | 1x4 | 1296 | 4838 | 51 | |
| ★ | SFU03205-4 | 5 | 3.175 | 50 | 80 | 12 | 52 | 65 | 9 | 62 | M6 | 1x4 | 1922 | 6343 | 54 | |
| SFU03206-4 | 6 | 3.969 | 50 | 80 | 12 | 57 | 65 | 9 | 62 | M6 | 1x4 | 2632 | 7979 | 57 | ||
| SFU03208-4 | 8 | 4.762 | 50 | 80 | 12 | 65 | 65 | 9 | 62 | M6 | 1x4 | 3387 | 9622 | 60 | ||
| ★ | SFU03210-4 | 10 | 6.350 | 50 | 80 | 12 | 90 | 65 | 9 | 62 | M6 | 1x4 | 4805 | 12208 | 61 | |
| ★ | SFU04005-4 | 40 | 5 | 3.175 | 63 | 93 | 14 | 55 | 78 | 9 | 70 | M6 | 1x4 | 2110 | 7988 | 63 |
| SFU04006-4 | 6 | 3.969 | 63 | 93 | 14 | 60 | 78 | 9 | 70 | M6 | 1x4 | 2873 | 9913 | 66 | ||
| SFU04008-4 | 8 | 4.762 | 63 | 93 | 14 | 67 | 78 | 9 | 70 | M6 | 1x4 | 3712 | 11947 | 70 | ||
| ★ | SFU04010-4 | 10 | 6.325 | 63 | 93 | 14 | 93 | 78 | 9 | 70 | M6 | 1x4 | 5399 | 15500 | 73 | |
| ★ | SFU05010-4 | 50 | 10 | 6.325 | 75 | 110 | 16 | 93 | 93 | 11 | 85 | M6 | 1x4 | 6004 | 19614 | 85 |
| ★ | SFU05020-4 | 20 | 7.144 | 75 | 110 | 16 | 138 | 93 | 11 | 85 | M6 | 1x4 | 7142 | 22588 | 94 | |
| SFU06310-4 | 63 | 10 | 6.325 | 90 | 125 | 18 | 98 | 108 | 11 | 95 | M6 | 1x4 | 6719 | 25358 | 99 | |
| SFU06320-4 | 20 | 9.525 | 95 | 135 | 20 | 149 | 115 | 13.5 | 100 | M6 | 1x4 | 11444 | 36653 | 112 | ||
| ★ | SFU08010-4 | 80 | 10 | 6.325 | 105 | 145 | 20 | 98 | 125 | 13.5 | 110 | M6 | 1x4 | 7346 | 31953 | 109 |
| SFU10020-4 | 20 | 9.525 | 125 | 165 | 25 | 154 | 145 | 13.5 | 130 | M6 | 1x4 | 12911 | 47747 | 138 | ||
| SFU08020-4 | 100 | 20 | 9.525 | 150 | 202 | 30 | 180 | 170 | 17.5 | 155 | M6 | 1x4 | 14303 | 60698 | 162 | |
先明確你使用滾珠絲桿的工作件的工作功率,及工作速度。然后選擇原動機,再設計傳動方案,滾珠絲桿屬于傳動方案中的一個機構。
主要參數有:TBI絲桿SFU系列的外徑,導程。這兩個參數決定了滾珠絲桿的負載(負荷及速度),它們是標準值,通過上面說的條件進行計算選擇。還有一個在選擇絲桿進行考慮的參數:滾珠列數(負載回路列圈數也決定負載能力)。其它的外形尺寸,滾珠螺母是依據絲桿、列數、循環方式、安裝形式來確定,桿端尺寸及形式主要取決于安裝形式。
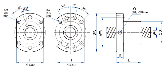
SFU滾珠絲杠圖紙必看:
l:—-表示滾珠絲桿的導程
Da:—-表示滾珠直徑
n:—–表示TBI絲桿螺帽滾珠循環圈數
K:—–表示絲桿剛性
Ca:—-表示螺桿動載定負荷
Coa:—表示螺桿靜載定負荷
TBI滾珠絲桿SFU系列絲杠產品應用:
CNC機械螺桿——-CNC加工中心、CNC車床、CNC銑床、CNC放電加工機、CNC磨床、CNC線切割機、CNC鉆孔機、專用機…等等
產業機械絲桿——印刷機、造紙機、自動化機械、紡織機、繪圖機。
電子機械絲桿——量測儀器、x-y平臺、醫學設備、工廠自動化設備、PCB鉆孔機、IC封裝機、半導體設備、工廠自動化設備…等
輸送機械滾珠螺桿——Robort Stage、材料搬送設備、核能反應器,高度致動器…等
航天工業滾珠絲桿——飛機襟翼、機場負載設備。
精密工具機絲桿—-銑床、磨床、放電加工機、刀具磨床、齒輪加工機、鉆床、刨床
其它滾珠螺桿—-如天線使用的致動器、閥門開關裝置…等。
TBI滾珠絲桿SFU系列特點:
1.TBI絲桿SFU高信賴性:
啟威傳動TBI滾珠螺桿是以多年來所累積的制品技術為基礎,從材料、熱處理、制造、檢查至出貨,都是以嚴謹的品保制度來加以管理,因此具有高信賴性。
2.TBI絲桿螺母圓滑的動作性:
啟威傳動 TBI滾珠絲桿比一般滑動螺桿具更高的效率,所需扭矩只有30%以下。可輕易將直線運動變換為回轉運動。滾珠螺桿既使給與預壓,亦能維持圓滑的動作特性。
3.TBI滾珠螺桿無背隙與高剛性
TBI絲桿螺母 MOTION采用哥德式溝槽形狀、軸方向間隙調整至極小亦能輕易轉動。又于1個或2個螺帽間做預壓調整,予消除軸方向間隙,使具有可符合使用條件的適當剛性。
4.TBI螺母循環方式:
TBI螺母有外循環方式和內循環方式兩種,很大程度上解決了大家在選型時被誤導的局面,歸為兩大類的循環方式,可讓大家在選型時,只用了解螺桿及螺帽的特性,就能更輕易的區分開來自己所適用的產品型號。
5. TBI滾珠絲桿優異的耐久性:
TBI絲桿 MOTION以累積多年的滾珠螺桿之生產技術為基礎,采用嚴謹的材料借高度熱處理及加工技術,可供給耐久性的制品。

















