
DFU 滾珠絲杠 (DIN 69051 FROM B) 雙螺母法蘭型
臺灣TBI滾珠絲杠DFU系列螺母與TBI螺母SFU安裝孔同為六孔安裝螺母,只是DFU系列為雙螺母。TBI滾珠絲桿DFU型螺母滾珠絲桿傳動是指滾珠絲桿與滾珠螺母旋合滾道之間放置相當數量的滾動體(滾珠)作為中間傳動體,并借助返回通道,構成滾珠可在閉合回路中反復循環運動的螺旋運動,這樣,絲桿與螺母的相對運動就借助于滾珠鏈的作用,把滑動接觸轉化為滾動接觸。
TBI滾珠絲杠原產地——臺灣
精密等級—C7級-C5級-C3級
DFU絲杠直徑——16mm—100mm
TBI絲杠DFU系列螺距(導程)——4mm、5mm、6mm、8mm、10mm、20mm
DFU絲桿長度——根據需求定做
TBI絲桿有效導程——根據要求定做
絲桿聯接軸徑——根據要求定做
TBI滾珠絲杠為全新絲桿,如需要加工兩端請提供圖紙。

| 型號 Model No. |
滾珠螺桿、螺帽之基準數據 Dimensions 單位 : mm | |||||||||||||||
|---|---|---|---|---|---|---|---|---|---|---|---|---|---|---|---|---|
| d | I | Da | D | A | B | L | W | X | H | Q | n | Ca | Coa | K | ||
| DFU01604-4 | 16 | 4 | 2.381 | 28 | 48 | 10 | 80 | 38 | 5.5 | 40 | M6 | 1x4 | 973 | 2406 | 43 | |
| ★ | DFU01605-4 | 5 | 3.175 | 28 | 48 | 10 | 100 | 38 | 5.5 | 40 | M6 | 1x4 | 1380 | 3052 | 44 | |
| ★ | DFU01610-4 | 10 | 3.175 | 28 | 48 | 10 | 118 | 38 | 5.5 | 40 | M6 | 1x3 | 1103 | 2401 | 35 | |
| DFU02004-4 | 20 | 4 | 2.381 | 36 | 58 | 10 | 80 | 47 | 6.6 | 44 | M6 | 1x4 | 1066 | 2987 | 51 | |
| ★ | DFU02005-4 | 5 | 3.175 | 36 | 58 | 10 | 101 | 47 | 6.6 | 44 | M6 | 1x4 | 1551 | 3875 | 53 | |
| DFU02504-4 | 25 | 4 | 2.381 | 40 | 62 | 10 | 80 | 51 | 6.6 | 48 | M6 | 1x4 | 1180 | 3795 | 60 | |
| ★ | DFU02505-4 | 5 | 3.175 | 40 | 62 | 10 | 101 | 51 | 6.6 | 48 | M6 | 1x4 | 1724 | 4904 | 62 | |
| DFU02506-4 | 6 | 3.969 | 40 | 62 | 10 | 105 | 51 | 6.6 | 48 | M6 | 1x4 | 2318 | 6057 | 64 | ||
| DFU02508-4 | 8 | 4.762 | 40 | 62 | 10 | 120 | 51 | 6.6 | 48 | M6 | 1x4 | 2963 | 7313 | 67 | ||
| ★ | DFU02510-4 | 10 | 4.762 | 40 | 62 | 12 | 145 | 51 | 6.6 | 48 | M6 | 1x4 | 2954 | 7295 | 67 | |
| DFU03204-4 | 32 | 4 | 2.381 | 50 | 80 | 12 | 80 | 65 | 9 | 62 | M6 | 1x4 | 1296 | 4838 | 71 | |
| ★ | DFU03205-4 | 5 | 3.175 | 50 | 80 | 12 | 102 | 65 | 9 | 62 | M6 | 1x4 | 1922 | 6343 | 74 | |
| DFU03206-4 | 6 | 3.969 | 50 | 80 | 12 | 105 | 65 | 9 | 62 | M6 | 1x4 | 2632 | 7979 | 78 | ||
| DFU03208-4 | 8 | 4.762 | 50 | 80 | 12 | 122 | 65 | 9 | 62 | M6 | 1x4 | 3387 | 9622 | 82 | ||
| ★ | DFU03210-4 | 10 | 6.350 | 50 | 80 | 12 | 162 | 65 | 9 | 62 | M6 | 1x4 | 4805 | 12208 | 82 | |
| ★ | DFU04005-4 | 40 | 5 | 3.175 | 63 | 93 | 14 | 105 | 78 | 9 | 70 | M6 | 1x4 | 2110 | 7988 | 87 |
| DFU04006-4 | 6 | 3.969 | 63 | 93 | 14 | 108 | 78 | 9 | 70 | M6 | 1x4 | 2873 | 9913 | 91 | ||
| DFU04008-4 | 8 | 4.762 | 63 | 93 | 14 | 132 | 78 | 9 | 70 | M6 | 1x4 | 3712 | 11947 | 96 | ||
| ★ | DFU04010-4 | 10 | 6.325 | 63 | 93 | 14 | 165 | 78 | 9 | 70 | M6 | 1x4 | 5399 | 15500 | 99 | |
| ★ | DFU05010-4 | 50 | 10 | 6.325 | 75 | 110 | 16 | 171 | 93 | 11 | 85 | M6 | 1x4 | 6004 | 19614 | 117 |
| ★ | DFU05020-4 | 20 | 7.144 | 75 | 110 | 16 | 280 | 93 | 11 | 85 | M6 | 1x4 | 7142 | 22588 | 126 | |
| ★ | DFU06310-4 | 63 | 10 | 6.325 | 90 | 125 | 18 | 182 | 108 | 11 | 95 | M6 | 1x4 | 6719 | 25358 | 139 |
| DFU06320-4 | 20 | 9.525 | 95 | 135 | 20 | 290 | 115 | 13.5 | 100 | M6 | 1x4 | 11444 | 36653 | 152 | ||
| ★ | DFU08010-4 | 80 | 10 | 6.325 | 105 | 145 | 20 | 182 | 125 | 13.5 | 110 | M6 | 1x4 | 7346 | 31953 | 156 |
| DFU10020-4 | 20 | 9.525 | 125 | 165 | 25 | 295 | 145 | 13.5 | 130 | M6 | 1x4 | 12911 | 47747 | 187 | ||
| DFU08020-4 | 100 | 20 | 9.525 | 150 | 202 | 30 | 340 | 170 | 17.5 | 155 | M6 | 1x4 | 14303 | 60698 | 222 | |
首先明確你使用滾珠絲桿的工作件的工作功率,及工作速度。然后選擇原動機,再設計傳動方案,滾珠絲桿屬于傳動方案中的一個機構。
TBI滾珠絲桿的主要參數有:TBI絲桿外徑,導程。這兩個參數決定了滾珠絲桿的負載(負荷及速度),它們是標準值,通過上面說的條件進行計算選擇。還有一個在選擇絲桿進行考慮的參數:滾珠列數(負載回路列圈數也決定負載能力)。其它的外形尺寸,滾珠螺母是依據絲桿、列數、循環方式、安裝形式來確定,桿端尺寸及形式主要取決于安裝形式。
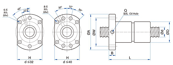
DFU滾珠絲杠看圖必看:
l:—-表示絲桿導程(DFU系列絲桿)
Da:—-表示滾珠絲桿直徑(DFU系列絲桿)
n:—–表示絲桿螺母滾珠循環圈數
K:—–表示絲桿剛性
Ca:—-表示滾珠絲桿型號基本動載定負荷
Coa:—表示滾珠絲桿型號靜載定負荷
TBI滾珠螺桿DFU系列產品應用:
CNC機械螺桿——-CNC加工中心、CNC車床、CNC銑床、CNC放電加工機、CNC磨床、CNC線切割機、CNC鉆孔機、專用機…等等
產業機械絲桿——印刷機、造紙機、自動化機械、紡織機、繪圖機。
電子機械絲桿——量測儀器、x-y平臺、醫學設備、工廠自動化設備、PCB鉆孔機、IC封裝機、半導體設備、工廠自動化設備…等
輸送機械滾珠螺桿——Robort Stage、材料搬送設備、核能反應器,高度致動器…等
航天工業滾珠絲桿——飛機襟翼、機場負載設備。
精密工具機絲桿—-銑床、磨床、放電加工機、刀具磨床、齒輪加工機、鉆床、刨床
其它滾珠螺桿—-如天線使用的致動器、閥門開關裝置…等。
















