
DFV 高速重負載型滾珠螺桿 雙螺母法蘭型
臺灣TBI滾珠螺桿DFV系列為高速重負載型螺桿,TBI絲桿DFV螺母為V型雙螺母法蘭型,循環形式為S型之循環圈的鋼珠,會沿著螺紋的方向運行,TBI絲桿采用哥德式溝槽形狀、軸方向間隙調整至極小亦能輕易轉動,及嚴謹的材料借高度熱處理及加工技術,可供給耐久性的制品。
TBI螺桿原產地—臺灣
精密等級—C7級-C5級-C3級
DFV螺桿直徑——15mm—80mm
雙螺母型DFV螺桿螺距(導程)——4mm、5mm、6mm、8mm、10mm、20mm
TBI絲杠長度——可根據絲杠需求訂制
DFV滾珠絲杠有效導程——可根據需求訂制
DFV絲杠聯接電機軸徑——根據要求定做
TBI螺桿為全新絲桿,如需要加工兩端請提供圖紙。

| 型號 Model No. |
滾珠螺桿、螺帽之基準數據 Dimensions 位 : mm | ||||||||||||||||
|---|---|---|---|---|---|---|---|---|---|---|---|---|---|---|---|---|---|
| d | I | Da | D | A | B | L | W | H | X | Y | Z | Q | n | Ca | Coa | K | |
| DFV01510-2.7 | 15 | 10 | 3.175 | 34 | 58 | 10 | 107 | 45 | 34 | 5.5 | 9.5 | 5.5 | M6 | 2.7x1 | 972 | 2020 | 30 |
| DFV01604-3.8 | 16 | 4 | 2.381 | 34 | 57 | 11 | 89 | 45 | 34 | 5.5 | 9.5 | 5.5 | M6 | 3.8x1 | 931 | 2285 | 42 |
| DFV01605-4.8 | 5 | 3.175 | 40 | 63 | 11 | 113 | 51 | 42 | 5.5 | 9.5 | 5.5 | M6 | 4.8x1 | 1614 | 3662 | 53 | |
| DFV01610-2.7 | 10 | 3.175 | 40 | 63 | 11 | 106 | 51 | 42 | 5.5 | 9.5 | 5.5 | M6 | 2.7x1 | 1008 | 2161 | 32 | |
| DFV02004-4.8 | 20 | 4 | 3.969 | 40 | 60 | 10 | 94 | 50 | 40 | 4.5 | 8 | 4 | M6 | 4.8x1 | 1247 | 3584 | 61 |
| DFV02005-4.8 | 5 | 3.175 | 44 | 67 | 11 | 112 | 55 | 52 | 5.5 | 9.5 | 5.5 | M6 | 4.8x1 | 1814 | 4650 | 63 | |
| DFV02010-2.7 | 10 | 3.969 | 46 | 74 | 13 | 117 | 59 | 46 | 6.6 | 11 | 6.5 | M6 | 2.7x1 | 1518 | 3398 | 40 | |
| DFV02505-4.8 | 25 | 5 | 3.175 | 50 | 73 | 11 | 105 | 61 | 52 | 5.5 | 9.5 | 5.5 | M8 | 4.8x1 | 2017 | 5884 | 75 |
| DFV02506-4.8 | 6 | 3.969 | 53 | 76 | 11 | 116 | 64 | 58 | 5.5 | 9.5 | 5.5 | M6 | 4.8x1 | 2711 | 7268 | 78 | |
| DFV02508-4.8 | 8 | 4.762 | 56 | 85 | 13 | 134 | 71 | 64 | 6.5 | 11 | 6.5 | M6 | 4.8x1 | 3466 | 8776 | 82 | |
| DFV02510-2.7 | 10 | 6.350 | 68 | 102 | 15 | 130 | 84 | 82 | 9 | 14 | 8.5 | M8 | 2.7x1 | 3040 | 6547 | 49 | |
| DFV03204-4.8 | 32 | 4 | 2.381 | 54 | 81 | 12 | 94 | 67 | 64 | 6.6 | 11 | 6.5 | M6 | 4.8x1 | 1517 | 5806 | 85 |
| DFV03205-4.8 | 5 | 3.175 | 58 | 85 | 12 | 106 | 71 | 64 | 6.6 | 11 | 6.5 | M8 | 4.8x1 | 2249 | 7612 | 9 | |
| DFV03206-4.8 | 6 | 3.969 | 62 | 89 | 12 | 114 | 75 | 68 | 6.6 | 11 | 6.5 | M8 | 4.8x1 | 3079 | 9575 | 95 | |
| DFV03208-4.8 | 8 | 4.762 | 66 | 100 | 15 | 139 | 82 | 76 | 9 | 14 | 8.5 | M8 | 4.8x1 | 3962 | 11547 | 100 | |
| DFV03210-4.8 | 10 | 6.350 | 74 | 108 | 15 | 186 | 90 | 82 | 9 | 14 | 9 | M8 | 4.8x1 | 5620 | 14649 | 101 | |
| DFV03220-2.7 | 20 | 6.350 | 74 | 108 | 16 | 200 | 90 | 82 | 9 | 14 | 8.5 | M8 | 2.7x1 | 3509 | 8644 | 61 | |
| DFV04005-4.8 | 40 | 5 | 3.175 | 67 | 101 | 15 | 109 | 83 | 72 | 9 | 14 | 8.5 | M8 | 4.8x1 | 2468 | 9586 | 105 |
| DFV04010-4.8 | 10 | 6.350 | 82 | 124 | 18 | 188 | 102 | 94 | 11 | 17.5 | 11 | M8 | 4.8x1 | 6316 | 18600 | 121 | |
| DFV04020-2.7 | 20 | 6.350 | 82 | 124 | 18 | 200 | 102 | 90 | 11 | 17.5 | 11 | M8 | 2.7x1 | 3935 | 10893 | 74 | |
| DFV05005-4.8 | 50 | 5 | 3.175 | 80 | 114 | 15 | 115 | 96 | 82 | 9 | 14 | 8.5 | M8 | 4.8x1 | 3698 | 12053 | 122 |
| DFV05010-4.8 | 10 | 6.350 | 93 | 135 | 16 | 173 | 113 | 98 | 11 | 17.5 | 11 | M8 | 4.8x1 | 7023 | 23537 | 144 | |
| DFV05020-2.7 | 20 | 9.525 | 105 | 152 | 28 | 221 | 128 | 110 | 14 | 20 | 13 | M8 | 2.7x1 | 7336 | 19700 | 90 | |
| DFV06310-4.8 | 63 | 10 | 6.350 | 108 | 154 | 22 | 195 | 130 | 110 | 14 | 20 | 13 | M8 | 4.8x1 | 7860 | 30430 | 172 |
| DFV06320-2.7 | 20 | 9.525 | 122 | 180 | 28 | 220 | 150 | 130 | 18 | 26 | 17.5 | M8 | 4.8x1 | 8162 | 24741 | 107 | |
| DFV08010-4.8 | 80 | 10 | 6.350 | 130 | 176 | 22 | 195 | 152 | 132 | 14 | 20 | 13 | M8 | 2.7x1 | 8593 | 38344 | 201 |
| DFV08020-4.8 | 20 | 9.525 | 143 | 204 | 28 | 340 | 172 | 148 | 18 | 26 | 18 | M8 | 4.8x1 | 15103 | 57296 | 226 | |
| DFV08020-7.6 | 20 | 9.525 | 143 | 204 | 28 | 460 | 172 | 148 | 18 | 26 | 18 | M8 | 3.8x1 | 22423 | 90719 | 351 | |
首先明確你使用滾珠絲桿的工作件的工作功率,及工作速度。然后選擇原動機,再設計傳動方案,滾珠絲桿屬于傳動方案中的一個機構。
主要參數有:TBI絲桿外徑,導程。這兩個參數決定了滾珠絲桿的負載(負荷及速度),它們是標準值,通過上面說的條件進行計算選擇。還有一個在選擇絲桿進行考慮的參數:滾珠列數(負載回路列圈數也決定負載能力)。其它的外形尺寸,滾珠螺母是依據絲桿、列數、循環方式、安裝形式來確定,桿端尺寸及形式主要取決于安裝形式。
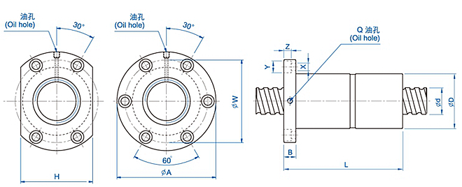
DFV螺桿選型看圖紙注意事項:
l:—-表示導程
Da:—-表示滾珠直徑
n:—–表示滾珠循環圈數
K:—–表示剛性
Ca:—-表示動載定負荷
Coa:—表示靜載定負荷
TBI滾珠螺桿DFV系列產品應用:
CNC機械螺桿——-CNC加工中心、CNC車床、CNC銑床、CNC放電加工機、CNC磨床、CNC線切割機、CNC鉆孔機、專用機…等等
產業機械絲桿——印刷機、造紙機、自動化機械、紡織機、繪圖機。
電子機械絲桿——量測儀器、x-y平臺、醫學設備、工廠自動化設備、PCB鉆孔機、IC封裝機、半導體設備、工廠自動化設備…等
輸送機械滾珠螺桿——Robort Stage、材料搬送設備、核能反應器,高度致動器…等
航天工業滾珠絲桿——飛機襟翼、機場負載設備。
精密工具機絲桿—-銑床、磨床、放電加工機、刀具磨床、齒輪加工機、鉆床、刨床
其它滾珠螺桿—-如天線使用的致動器、閥門開關裝置…等。





