SFU4008滾珠螺桿
此種型式絲桿至少要有一端完全通牙,適用于絲桿徑較小,U型螺帽采用金屬循環器。螺帽選定時請考慮所要求精度,所需交貨期、尺寸(絲桿軸外徑,導程/絲桿軸外徑比)。

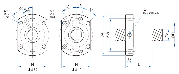
I : 導程, Da : 珠徑, n : 珠卷數, Ca : 動額定負荷(kgf), Coa : 靜額定負荷(kgf), K : 鋼性(kgf/μm) ★ : 可制作左螺紋
|
型號 Model No. |
滾珠螺桿、螺母之基準參數 Dimensions 單位 : mm |
| d |
I |
Da |
D |
A |
B |
L |
W |
X |
H |
Q |
n |
Ca |
Coa |
K |
|
SFU04008-4 |
40 |
8 |
4.762 |
63 |
93 |
14 |
67 |
78 |
9 |
70 |
M6 |
1x4 |
3712 |
11947 |
70 |
TBI滾珠螺桿鋼珠保持器效果:
【螺母低噪音、運動聲音輕】
使用鋼珠保持器消除了滾珠之間的碰撞雜訊。此外,由于滾珠是以切線方向排列,來自于滾珠迴圈的碰撞雜訊也已被消除。
【TBI絲桿螺母實現長期間無需維修保養的運動】
滾珠之間的摩擦已被消除,并且由于提供了潤滑油袋,油脂的保持性也得到了提高。因而,實現了長期的運行而無需保養(亦即,在長期階段內無須潤滑)。
【平滑的運動】
使用鋼珠保持器消除了滾珠之間的摩擦,并最大程度地降低了扭矩變動率,這樣就保證實現了平滑的運動。
臺灣TBI螺桿SFU4008滾珠螺桿特點 :
高 DN 值:一般情況下,高導程滾珠桿的 DN 值可達 130,000。特別情況下,如當絲桿兩端都是固定端時。DN 值可達 140,000。
高速度:高導程滾珠絲桿提供每分鐘 100 公尺或更高的移動速率。是可滿足高速切削所需。
高剛性:絲桿和螺帽皆有經過表面硬化處理至一定的硬度及有效深度以為持高剛性及耐用性。可提供復螺紋(多螺紋)于絲桿上,使承受負載的鋼珠數量增多而提高了剛性與耐久性。
TBI螺桿SFU4008滾珠絲桿的壽命
滾珠絲桿即使用正確狀態下使用,在經過一段時間后也會因劣化而無法再使用時間即為滾珠絲桿的壽命,一般區分為兩種:
a.疲勞壽命 : 發生剝離現象時稱之。
b.精度壽命 : 因磨損導致精度劣化時稱之。